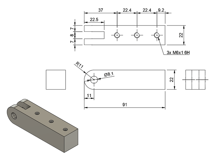
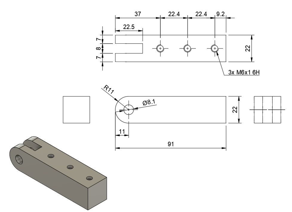
NC700 tekening lummel beslag giek

Hallo,

Ik heb onlangs een New Classic 700 gekocht en ben nu alles aan het nalopen. Het aluminium lummelbeslag (op de giek geschroefd) is redelijk ingesleten (0.8mm) (zie foto’s). Ik ga daar deze winter nieuwe onderdelen voor frezen uit aluminium (EN AW 6082). Ik heb hiervoor step files en tekeningen gemaakt die ik hierbij wil delen (het lukt me niet om de step files te uploaden). Misschien heeft iemand anders er nog wat aan.

Ik weet niet hoe dit op een Clever 23 zit. Maar kan me voorstellen dat deze onderdelen gelijk zijn.

Zo op het eerste gezicht is dat wel hetzelfde als op de clever.
Stel nu: ik bestel dat kleinste deel bij jou. Zou je dat doen en wat zou dat kosten?

Groet, Rob

Hi Rob,

Dat hangt van de context van je vraag af.

Als je er ook een wil dan frees ik direct ook een voor jou mee. Met een kleine bijdrage in de kosten van het materiaal ben ik dan tevreden.

Als er veel vraag naar is dan weet ik niet of ik dat zelf wil doen. Maar dan is het wel uit te besteden bij een van de grotere partijen. Kosten zijn dan wel anders (range van 100 euro voor 1 stuks tot 500 euro voor 50 stuks.)

Ik vermoed dat je vraag in de eerste context is. Laat dan maar even weten dan maak ik een paar extra.

vraag is inderdaad van de eerste context: die van mijn boot is ook niet al te best meer. Ik was niet van plan er een handeltje in te beginnen. Maar er zijn er al meer geweest die dit kapot hebben gehad, dus wellicht is er meer belangstelling.
Als er kosten aan verbonden zijn dan betaal ik die graag.

Groetjes, Rob

Helemaal goed, dan frees ik er een extra voor jou.

Ik weet niet wanneer het precies wordt. Ik moet een geschikte zaterdag vinden. Ik meld me wel wanneer het klaar is.

Als er nog anderen zijn die deze onderdelen willen dan moeten ze zich even melden.

Ik ben ook niet bij met hoe het lummelbeslag op mijn Clever zit. Bij hardere wind aan de wind kraakt het nogal in dat gebied. Nu resoneert de open aluminium giek natuurlijk lekker mee, dus is het lastig op het geluid te bepalen waar het vandaan komt, maar als ik het inspray met WD40 is het een poosje weg, dus het komt echt daar vandaan.

Ik vind eigenlijk dat er een swivel in het lummelbeslag moet komen, maar als ik zoek zie ik maar weinig schepen die dat hebben, dus ik twijfel nog of dat wel een goed idee is.

Zal binnenkort even kijken hoe het er bij mij uit ziet.

Hi Harmen,

Ik ben benieuwd hoe het bij jou zit en of het erg ingesleten is.

Heb je al eens teflon spray of “dry lube” voor kettingen geprobeerd in plaats van WD40?

Als het kraken komt door de wrijving zou je ook het nokje iets minder hoog kunnen maken. En dan een teflon (PTFE) carrosiering tussen het nokje en het beslag op de mast. De ring wordt dan ook direct het slijtdeel wat gemakkelijk te vervangen is.

klinkt interessant, ik heb mijn giek al laten lassen, maar nieuw lummelbeslag zou mooi zijn! Count me in

Ik kwam deze foto nog tegen die ik een paar weken geleden gemaakt heb.

Lijkt ook wel redelijk wat ingesleten.
Als ik weer bij de boot geen zal ik nog een wat betere foto maken.

Zoals je kunt zien heb ik met als @Boswachter mijn giek laten lassen.
Ik denk dat dat nodig was door de torsie krachten in de giek. (Zie ook de berichten vandaag hier: Zomervakantie in het water gevallen? - #18 by Boswachter)
Daarom denk ik aan een swivel of iets dergelijks.
Iets dat hier op lijkt:

Maar ben ook benieuwd naar jullie mening.

Hi Harmen,

Een swivel constructie daar tussen zetten lijkt me niet gemakkelijk. Er is weinig ruimte en je hebt assen/bouten die elkaar orthogonaal kruisen. En dan moet je daar axiaal een as tussen zien te krijgen. Ik zie niet hoe je dat makkelijk zou kunnen doen. Maar ik ben ook niet de meest creatieve wat dat betreft.

Gevoelsmatig (dus zonder te veel onderbouwing) denk ik dat de lasser van Koen wel eens gelijk kan hebben (zie zomervakantie-in-het-water-gevallen #37) dat de scheuren veroorzaakt worden door de krachten op het blokje van de onderlijkstrekker en reeflijnen. In mijn giek zitten geen scheurtjes maar ik ga uit voorzorg wel ringen onder de bouten leggen.

Op de foto uit zomervakantie-in-het-water-gevallen #28 ziet de constructie van het blokje van de onderlijkstrekker/reeflijnen er anders uit dan bij mijn boot (vergelijk eerst foto van dit draadje).

Ik heb wat aluminium staf materiaal besteld om wat onderdelen uit te maken. Wordt vervolgd.

Hallo Buru Ik heb wel toegang tot 247TailorSteel ik kan eens een prijs op vragen?

We hebben zo nog een leverancier,ben ff de naam kwijt, moet dan wel de step file hebben, en als we de levertijd niet kort houden valt de prijs vaak mee.

Mvg Tjerk

Hi Tjerk,

Bedankt voor het aanbod en meedenken! Maar ik heb het materiaal al in huis. Ik ben van plan om volgende weekend er een aantal te frezen. Het is ook beter om de eerste exemplaren zelf te maken zodat er nog wat aanpassingen kunnen worden gedaan indien nodig.

Ik wist trouwens niet dat 247 tegenwoordig ook freeswerk levert. In het verleden daar wel een plaatwerk laten snijden en zetten. Maar dat is wel al een tijd geleden.

Paar weken terug heb ik prijzen bij Xometery opgevraagd. Die zitten altijd laag in prijs (met wisselende kwaliteit). Dat varieerde met de aantallen van 100 euro voor 1 stuks tot 350 euro voor 25 stuks van het kleinste deel (dat het dichtst bij de mast zit). Alles zonder BTW en verzendkosten. De opstartkosten tellen bij kleine aantallen altijd behoorlijk mee. Voor het grotere deel heb ik geen prijs opgevraagd.

Maar zoals gezegd, volgende weekend ga ik aan de slag om er een paar te maken.

mvg Buru

Hier even een update. Ik ben van het weekend aan het frezen geweest.

Van het grote onderdeel heb ik er een voor mijzelf gemaakt. Die is klaar.

Van het kleine onderdeel ben ik er 3 aan het maken. (Rob_listo, bos_wachter en mijzelf) (Harmen als je ook zo’n klein onderdeel wil moet je het even aangeven.)

Daar moest alleen nog de afschuining op de kopse kant worden gefreesd. Helaas een fout gemaakt met het nullen van de x-as en daardoor het bolkop-frees dwars door een van de onderdelen getrokken (zie eerste exemplaar). Die is niet meer te redden. Dus tijd om nu even op te houden.

Van de week zal ik het af gaan maken.

1 Like

Ha But,

Lekker bezig, respect :saluting_face:

Hierbij foto’s van mijn lummelbeslag.


Ik ben ook geïnteresseerd in een vervangend blokje.
Op zich ziet hij er nog redelijk uit volgens mij, maar als reserve zou het wel goed zijn.

ben inderdaad wel aan een nieuwe toe:

Imgur

er was al gelast aan de giek toen ik de boot kocht:

Imgur

Gr Rob

Hi Harmen,

Volgens mij is jouw blokje ook behoorlijk ingesleten (net als die van mij). Die kraag hoort er niet op te zitten. Er zit op het binnenste gat zelfs een scherpe kraag.

Ben benieuwd of je minder gekraak hoort met een nieuw blokje.

De blokjes zijn klaar (zie onder). Ik zal een PM bericht sturen hoe de “logistiek” te regelen.

3 Likes